సంభావ్య ట్రాన్స్ఫార్మర్ PT
సబ్‌స్టేషన్‌లో 13.8 Kv సింగిల్ ఫేజ్ పొటెన్షియల్ ట్రాన్స్‌ఫార్మర్
  • సబ్‌స్టేషన్‌లో 13.8 Kv సింగిల్ ఫేజ్ పొటెన్షియల్ ట్రాన్స్‌ఫార్మర్సబ్‌స్టేషన్‌లో 13.8 Kv సింగిల్ ఫేజ్ పొటెన్షియల్ ట్రాన్స్‌ఫార్మర్

సబ్‌స్టేషన్‌లో 13.8 Kv సింగిల్ ఫేజ్ పొటెన్షియల్ ట్రాన్స్‌ఫార్మర్

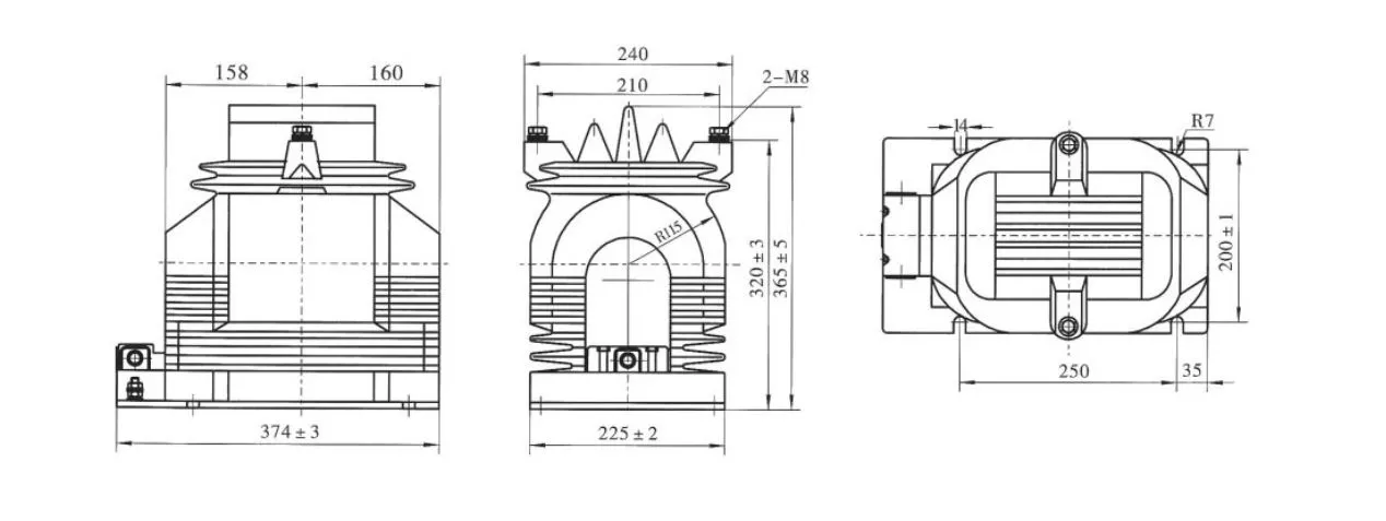
సబ్‌స్టేషన్‌లో నమ్మదగిన 13.8 kv సింగిల్ ఫేజ్ పొటెన్షియల్ ట్రాన్స్‌ఫార్మర్‌ను ఉత్పత్తి చేయడానికి, Wenzhou XiFa ఎలక్ట్రిక్ పవర్ ఎక్విప్‌మెంట్ కో., లిమిటెడ్ ప్రీమియం CRGO ఎలక్ట్రికల్ స్టీల్‌ను కోర్ యొక్క ప్రధాన మెటీరియల్‌గా లాస్ విలువను తగ్గించడానికి మరియు ఖచ్చితత్వ తరగతిని మెరుగుపరచడానికి మరియు అధిక శక్తితో కూడిన ఎనామెల్డ్ కాపర్ వైర్‌ను ప్రధాన పదార్థంగా స్వీకరిస్తుంది. ఎప్పటికీ, సబ్‌స్టేషన్‌లోని ప్రతి 13.8 kv సింగిల్ ఫేజ్ పొటెన్షియల్ ట్రాన్స్‌ఫార్మర్ ఎపాక్సీ రెసిన్ వాక్యూమ్ కాస్టింగ్ ఉత్పత్తి ప్రక్రియను అవలంబిస్తుంది, ఇది తేమను సులభంగా గ్రహించలేని మొత్తం పటిష్టమైన నిర్మాణాన్ని తయారు చేస్తుంది, ఇది వేడి, తేమ మరియు ధూళి వాతావరణాలకు అనుకూలంగా ఉంటుంది.

ఉత్పత్తి లక్షణాలు:

సబ్‌స్టేషన్‌లోని 13.8 Kv సింగిల్ ఫేజ్ పొటెన్షియల్ ట్రాన్స్‌ఫార్మర్ 13.8 kv ప్రాథమిక వోల్టేజ్‌ని 100 లేదా 110 వోల్ట్‌ల వంటి ప్రామాణిక ద్వితీయ వోల్టేజ్‌కి తగ్గించడానికి రూపొందించబడింది. తగ్గిన వోల్టేజ్ సాధనాలు మరియు రక్షిత రిలేలను కొలవడానికి సమాంతర వైండింగ్‌లకు సరఫరా చేయబడుతుంది, తక్కువ వోల్టేజ్ పరికరాలతో పరోక్షంగా ప్రాథమిక వోల్టేజ్ కొలతలు చేయడానికి వీలు కల్పిస్తుంది. ఇటువంటి విధానం పరికరం రూపకల్పనను సులభతరం చేస్తుంది, ఖర్చును ఆదా చేస్తుంది మరియు పరికరాలు మరియు ఆపరేటింగ్ సిబ్బంది రెండింటి భద్రతను నిర్ధారిస్తుంది.


13.8 kv సింగిల్ ఫేజ్ పొటెన్షియల్ ట్రాన్స్‌ఫార్మర్ యొక్క పని సూత్రం పవర్ డిస్ట్రిబ్యూషన్ ట్రాన్స్‌ఫార్మర్ వలె ఉంటుంది, వీటిలో పరివర్తన నిష్పత్తి ప్రాథమిక మరియు ద్వితీయ కాయిల్స్‌లోని మలుపుల సంఖ్య ద్వారా నిర్ణయించబడుతుంది. ద్వితీయ మలుపుల సంఖ్యను పెంచడం నిష్పత్తిని తగ్గిస్తుంది, అయితే ప్రాథమిక మలుపుల సంఖ్యను పెంచడం వలన అది పెరుగుతుంది. ఎట్టి పరిస్థితుల్లోనూ 13.8 kv సింగిల్ ఫేజ్ పొటెన్షియల్ ట్రాన్స్‌ఫార్మర్ యొక్క సెకండరీ సర్క్యూట్ ఆపరేషన్ సమయంలో షార్ట్ సర్క్యూట్ చేయబడదని గమనించడం ముఖ్యం.

13 8 Kv Single Phase Potential Transformer In Substation

సాంకేతిక వివరణ:

టైప్ చేయండి రేట్ చేయబడిన వోల్టేజ్ నిష్పత్తి (kV) ఖచ్చితత్వం తరగతి ఖచ్చితత్వ తరగతి మరియు రేటెడ్ అవుట్‌పుట్ cosΦ=0.8 మాక్స్. అవుట్‌పుట్ (VA)
0.2 0.5 1 6(పి)
JDZ11-15 (15/√3)/(0.1/√3)/(0.1/3) 0.2/6P 0.5/6P 1/6P 30 80 150 100 400
JDZ11-20 (20/√3)/(0.1/√3)/(0.1/3)
JDZ11-15 (15/√3)/(0.1/√3)/(0.1/√3)/(0.1/3) 0.2/0.2/6P 0.2/0.5/6P 15 20 N/A 100 2*200
JDZX11-20 (20/√3)/(0.1/√3)/(0.1/√3)/(0.1/3)

13 8 Kv Single Phase Potential Transformer In Substation

ఉత్పత్తి తరచుగా అడిగే ప్రశ్నలు:

ప్ర: 13.8 kv సింగిల్ ఫేజ్ పొటెన్షియల్ ట్రాన్స్‌ఫార్మర్ మరియు 13.8 kv పవర్ ట్రాన్స్‌ఫార్మర్ ఎలా భిన్నంగా ఉంటుంది?

A: రెండూ వోల్టేజ్ కన్వర్టింగ్ పరికరాలు అయితే, 13.8 kv సింగిల్ ఫేజ్ పొటెన్షియల్ ట్రాన్స్‌ఫార్మర్ విద్యుత్ బదిలీ కాకుండా కొలత మరియు రక్షణ కోసం రూపొందించబడింది. దీని రేట్ భారం చాలా తక్కువగా ఉంటుంది, సాధారణంగా VAలో వ్యక్తీకరించబడుతుంది, అయితే పవర్ ట్రాన్స్‌ఫార్మర్లు kVA లేదా MVAలో లెక్కించబడే పెద్ద విలువలో లోడ్‌లను నిర్వహిస్తాయి.


Q: 13.8 kv సింగిల్ ఫేజ్ పొటెన్షియల్ ట్రాన్స్‌ఫార్మర్‌లో ఏ ఇన్సులేషన్ పద్ధతులు ఉపయోగించబడతాయి?

జ: చాలాసంభావ్య ట్రాన్స్ఫార్మర్లుఈ వోల్టేజ్ స్థాయిలో ఇండోర్ సర్వీస్ కోసం ఎపాక్సీ రెసిన్ కాస్ట్ ఇన్సులేషన్ లేదా అవుట్‌డోర్ ఇన్‌స్టాలేషన్‌ల కోసం పింగాణీ/సిలికాన్ హౌసింగ్‌లను ఉపయోగిస్తుంది. కొన్ని డిజైన్‌లు పొడిగించిన సేవా జీవితాన్ని మరియు అధిక ఉష్ణ సామర్థ్యాన్ని సాధించడానికి ఆయిల్ ఇమ్మర్జ్డ్ ఇన్సులేషన్‌ను ఉపయోగిస్తాయి.


ప్ర: 13.8 kV సింగిల్ ఫేజ్ పొటెన్షియల్ ట్రాన్స్‌ఫార్మర్‌ను సబ్‌స్టేషన్‌లో ఎలా కనెక్ట్ చేయాలి?

A: దశ నుండి భూమి కొలత కోసం, PT ప్రైమరీ ఒక దశ మరియు భూమి మధ్య అనుసంధానించబడి ఉంటుంది. త్రీ ఫేజ్ సిస్టమ్‌లో, లైన్ టు లైన్ మరియు లైన్ టు గ్రౌండ్ వోల్టేజ్‌లను కొలవడానికి సింగిల్ ఫేజ్ PTలు లేదా త్రీ ఫేజ్ PT యూనిట్‌ని ఉపయోగించవచ్చు.


ప్ర: సబ్‌స్టేషన్లలో 13.8 కెవి సింగిల్ ఫేజ్ పొటెన్షియల్ ట్రాన్స్‌ఫార్మర్‌లతో ఏ సమస్యలు తలెత్తుతాయి?

A: సాధారణ సమస్యలలో ఇన్సులేషన్ డిగ్రేడేషన్, కొన్ని స్విచింగ్ పరిస్థితులలో ఫెర్రోరోసోనెన్స్, ఓవర్ లోడ్ కారణంగా వేడెక్కడం మరియు ప్రమాదకరమైన అధిక వోల్టేజీలకు కారణమయ్యే సెకండరీ సర్క్యూట్ ఓపెన్ పరిస్థితులు ఉన్నాయి.



హాట్ ట్యాగ్‌లు: సబ్‌స్టేషన్ సరఫరాదారులో 13.8 Kv సింగిల్ ఫేజ్ పొటెన్షియల్ ట్రాన్స్‌ఫార్మర్, సబ్‌స్టేషన్ పొటెన్షియల్ ట్రాన్స్‌ఫార్మర్ హోల్‌సేల్
విచారణ పంపండి
సంప్రదింపు సమాచారం
  • చిరునామా

    నెం. 391, జింగ్‌కి రోడ్, యాన్‌పాన్ ఇండస్ట్రియల్ జోన్, యుక్వింగ్ సిటీ, జెజియాంగ్ ప్రావిన్స్, చైనా

  • ఇ-మెయిల్

    info@xifaele.com

ASAP మీ కొటేషన్‌ని పొందడానికి

XiFa-మీ విశ్వసనీయ విద్యుత్ పరికరాల సరఫరాదారు
వార్తల సిఫార్సులు
X
మీకు మెరుగైన బ్రౌజింగ్ అనుభవాన్ని అందించడానికి, సైట్ ట్రాఫిక్‌ను విశ్లేషించడానికి మరియు కంటెంట్‌ను వ్యక్తిగతీకరించడానికి మేము కుక్కీలను ఉపయోగిస్తాము. ఈ సైట్‌ని ఉపయోగించడం ద్వారా, మీరు మా కుక్కీల వినియోగానికి అంగీకరిస్తున్నారు. గోప్యతా విధానం
తిరస్కరించు అంగీకరించు