ప్రస్తుత ట్రాన్స్ఫార్మర్ CT
గాయం రకం 5p10 5p20 Ct 100 150 400 5a
  • గాయం రకం 5p10 5p20 Ct 100 150 400 5aగాయం రకం 5p10 5p20 Ct 100 150 400 5a

గాయం రకం 5p10 5p20 Ct 100 150 400 5a

అధిక నాణ్యత గల సంభావ్య ట్రాన్స్‌ఫార్మర్లు మరియు ప్రస్తుత ట్రాన్స్‌ఫార్మర్‌లను సరఫరా చేయడానికి, Wenzhou XiFa ఎలక్ట్రిక్ పవర్ ఎక్విప్‌మెంట్ కో., Ltd 5p10 5p20 ct 100 150 400 5a రకం ఉత్పత్తి మరియు సరఫరా వంటి క్లయింట్‌లకు అనుకూలీకరించిన సేవకు మద్దతు ఇస్తుంది. WenZhou XiFa ఎలక్ట్రిక్‌లో, ఉత్పత్తి చేసే బృందం 100/5a 10p10 0.5 కరెంట్ ట్రాన్స్‌ఫార్మర్ వంటి సాధారణ రకం కరెంట్ ట్రాన్స్‌ఫార్మర్ కోసం ఇన్వెంటరీని ఉంచుతుంది, ఇది వేగంగా డెలివరీ అయ్యేలా చేస్తుంది. అయినప్పటికీ, ప్రొటెక్షన్ క్లాస్ 5p10 లేదా 5p20 ఉన్న సరఫరా కరెంట్ ట్రాన్స్‌ఫార్మర్ వంటి వివిధ విద్యుత్ డిమాండ్‌ను తీర్చడానికి కంపెనీ అనుకూలీకరించిన సేవకు మద్దతు ఇస్తుంది.

గాయం రకం కరెంట్ ట్రాన్స్‌ఫార్మర్ 10kv 20kv మరియు 35kv వంటి మీడియం వోల్టేజ్ పవర్ సిస్టమ్‌లలో నమ్మదగిన కరెంట్ కొలత మరియు రక్షణ కోసం రూపొందించబడింది. 100/5A, 150/5A మరియు 400/5A యొక్క ప్రస్తుత నిష్పత్తులలో అందుబాటులో ఉంది మరియు 5P10 మరియు 5P20 యొక్క రక్షణ ఖచ్చితత్వ తరగతులతో, ఈ గాయం రకం 5p10 5p20 ct 100 150 400 5a ఖచ్చితమైన సెకండరీ కరెంట్ అవుట్‌పుట్‌ను అందిస్తుంది.

ఘన అయస్కాంత కోర్లు మరియు ద్వితీయ కాయిల్స్‌తో తయారు చేయబడిన, గాయం రకం కరెంట్ ట్రాన్స్‌ఫార్మర్ షార్ట్ సర్క్యూట్ పరిస్థితులలో స్థిరమైన పనితీరును నిర్ధారిస్తుంది మరియు తాత్కాలిక సంఘటనల సమయంలో కూడా ఖచ్చితమైన కరెంట్ పరివర్తనను అందిస్తుంది. దాని దృఢమైన ఇన్సులేషన్ సిస్టమ్, తరచుగా ఎపాక్సి లేదా హై గ్రేడ్ రెసిన్‌ను కలుపుతూ, భద్రత, సుదీర్ఘ సేవా జీవితం మరియు తేమ మరియు పర్యావరణ ఒత్తిడికి నిరోధకతను నిర్ధారిస్తుంది.

గాయం రకం డిజైన్ స్విచ్ గేర్, నియంత్రణ ప్యానెల్లు మరియు పంపిణీ బోర్డులలో సౌకర్యవంతమైన సంస్థాపనను అనుమతిస్తుంది, రిలే రక్షణ పథకాలకు ఆధారపడదగిన మద్దతును అందిస్తుంది. పారిశ్రామిక ప్లాంట్లు, వాణిజ్య సౌకర్యాలు మరియు యుటిలిటీ డిస్ట్రిబ్యూషన్ నెట్‌వర్క్‌లకు గాయం రకం కరెంట్ ట్రాన్స్‌ఫార్మర్ అనువైనది, ఇక్కడ కార్యాచరణ పర్యవేక్షణ మరియు రక్షణ నియంత్రణ రెండింటికీ ఖచ్చితమైన మరియు విశ్వసనీయమైన కరెంట్ కొలత అవసరం.

Wound Type 5p10 5p20 Ct 100 150 400 5a

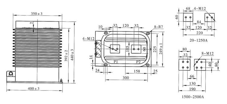
సాంకేతిక వివరణ:

టైప్ చేయండి ప్రాథమిక రేటెడ్ కరెంట్ (A) ఖచ్చితత్వం తరగతి ఖచ్చితత్వం తరగతి మరియు రేటెడ్ అవుట్‌పుట్ cosΦ=0.8 షోరీ-టైమ్ థర్మల్ కరెంట్ (kA/S) రేటెడ్ డైనమిక్ కరెంట్ (kA)
0.2 (సె) 0.5 (సె) 10P10
LZZBJ9-35 20-100 0.2/0.2 0.2/0.5 0.2/5P20 0.5/5P20 0.2/0.5/5P 0.2/5P/5P 10 10 15 150I1n 375I1n
150-200 31.5 80
300-500 31.5/2 80
600-1250 15 30 20 31.5/4 80
1500-2000 20 40 30 40/4 125
2500 20 40 20 40/4 125


టైప్ చేయండి ప్రాథమిక రేటెడ్ కరెంట్ (A) ఖచ్చితత్వం తరగతి సామర్థ్యం (VA) షోరీ-టైమ్ థర్మల్ కరెంట్ (kA/S) రేటెడ్ డైనమిక్ కరెంట్ (kA)
LZZBJ9-35 10 0.2/10P10 0.5/10P10 0.2/5P20 0.5/5P20 0.2/0.5/10P10 0.2/0.5/5P20 0.2/10P10/5P20 0.5/10P10/5P20 15/20 20/20 15/20 20/20 15/20/20 15/20/20 15/20/20 20/20/20 1.5/1 3.75
20 2/1 5
30 3/1 7.5
40 4/1 10
50 5/1 12.5
75 7.5/1 18.75
100 10/1 25
150 15/1 37.5
200 20/1 50
300 31.5/1 80
400 31.5/2 80
500 31.5/2 80
600 31.5/2 80
800 31.5/3 80
1000 31.5/3 80
1200 31.5/3 80
1500 31.5/3 80
2000 31.5/3 80

Wound Type 5p10 5p20 Ct 100 150 400 5a

ఉత్పత్తి తరచుగా అడిగే ప్రశ్నలు:

ప్ర: గాయం రకం 5p10 5p20 ct 100 150 400 5aలో “గాయం-రకం 5P10” లేదా “5P20” అంటే ఏమిటి?

A: "గాయం-రకం" అనే పదం CTలను సూచిస్తుంది, ఇక్కడ ప్రాథమిక కండక్టర్ అనేది కోర్ ద్వారా బస్‌బార్ లేదా బార్ కంటే గాయం వైండింగ్‌గా ఉంటుంది. తరగతి 5P10 లేదా 5P20 రక్షణ ఖచ్చితత్వాన్ని సూచిస్తుంది: 5P అంటే రేట్ చేయబడిన సెకండరీ కరెంట్‌లో 5% వరకు ఎర్రర్, మరియు 10 లేదా 20 అనేది పేర్కొన్న లోపాన్ని మించకుండా రేట్ చేయబడిన ప్రైమరీ కరెంట్‌లో గరిష్టంగా అనుమతించదగిన స్వల్పకాలిక గుణకం.

ప్ర: నా సిస్టమ్ కోసం సరైన CT రేటింగ్‌ను ఎలా ఎంచుకోవాలి?

A: మీ సిస్టమ్ గరిష్ట లోడ్ కరెంట్ మరియు రక్షణ అవసరాల ఆధారంగా CTని ఎంచుకోండి. ఉదాహరణకు, 100/5A CT అనేది 100 A చుట్టూ ఉన్న సాధారణ ప్రవాహాలతో సర్క్యూట్‌లకు అనుకూలంగా ఉంటుంది, అయితే 400/5A అధిక-కరెంట్ ఫీడర్‌ల కోసం రూపొందించబడింది. రిలే యొక్క తప్పును గుర్తించే సున్నితత్వం మరియు ఊహించిన షార్ట్ సర్క్యూట్ కరెంట్ ప్రకారం రక్షణ తరగతిని (5P10 లేదా 5P20) ఎంచుకోండి.

Q: ఏ పర్యావరణ పరిస్థితులు గాయం రకం 5p10 5p20 ct 100 150 400 5a హ్యాండిల్ చేయవచ్చు?

A: ఈ గాయం రకం కరెంట్ ట్రాన్స్‌ఫార్మర్లు సాధారణంగా –10 °C నుండి +40 °C వరకు పరిసర ఉష్ణోగ్రతల కోసం రేట్ చేయబడతాయి, గరిష్ట ఎత్తు 1000 మీ. గృహనిర్మాణ పదార్థాలు మరియు ఇన్సులేషన్ వ్యవస్థలు తేమ, దుమ్ము మరియు కాలుష్య నిరోధక ఆపరేషన్ కోసం రూపొందించబడ్డాయి, పారిశ్రామిక మరియు యుటిలిటీ సెట్టింగులలో నమ్మకమైన రక్షణ పనితీరును నిర్ధారించడానికి.




హాట్ ట్యాగ్‌లు: గాయం రకం 5p10 5p20 Ct 100 150 400 5a, ప్రస్తుత ట్రాన్స్‌ఫార్మర్ సరఫరాదారు, మీటరింగ్ ట్రాన్స్‌ఫార్మర్స్ హోల్‌సేల్
విచారణ పంపండి
సంప్రదింపు సమాచారం
  • చిరునామా

    నెం. 391, జింగ్‌కి రోడ్, యాన్‌పాన్ ఇండస్ట్రియల్ జోన్, యుక్వింగ్ సిటీ, జెజియాంగ్ ప్రావిన్స్, చైనా

  • ఇ-మెయిల్

    info@xifaele.com

ASAP మీ కొటేషన్‌ని పొందడానికి

XiFa-మీ విశ్వసనీయ విద్యుత్ పరికరాల సరఫరాదారు
వార్తల సిఫార్సులు
X
మీకు మెరుగైన బ్రౌజింగ్ అనుభవాన్ని అందించడానికి, సైట్ ట్రాఫిక్‌ను విశ్లేషించడానికి మరియు కంటెంట్‌ను వ్యక్తిగతీకరించడానికి మేము కుక్కీలను ఉపయోగిస్తాము. ఈ సైట్‌ని ఉపయోగించడం ద్వారా, మీరు మా కుక్కీల వినియోగానికి అంగీకరిస్తున్నారు. గోప్యతా విధానం
తిరస్కరించు అంగీకరించు